| 概述 | |||||||||||||||||||||||||||||||||||||||||||||||||||||||||||||||||||||||||||||||||||||||||||||||||||||||||
|
FKN12-12D/630-50型户内交流高压负荷开关(以下简称FN12-12D负荷开关)是额定电压为12kV,额定频率为50Hz的三相高压开关设备,用于分合负荷电流,闭环电流,空载变压器和电缆充电电流,关合短路电流。配装接地开关的负荷开关,可以承受短路电流。 FKRN12-12D/100-31.5型交流高压负荷开关熔断器组合电器(以下简称FN12-12(R)D组合电器)是FKRN12-12D负荷开关与S□LAJ-12(XRNT□-10)高压限流式熔断器组合在一起的户内高压开关设备。它可以开断直至短路电流的任何电流;负荷开关开断工作电流,熔断器开断短路电流,联合开断工作电流与全短路电流之间的任何电流,同时熔断器通过其撞击使负荷开关分闸。 |
|||||||||||||||||||||||||||||||||||||||||||||||||||||||||||||||||||||||||||||||||||||||||||||||||||||||||
| 适用范围 | |||||||||||||||||||||||||||||||||||||||||||||||||||||||||||||||||||||||||||||||||||||||||||||||||||||||||
| FKN12-12D/负荷开关FKRN12-12D组合电器主要用三相环网或终端供电的市区配电站和工业用电设备中,作负荷控制和短路保护之用。由于组合电器对变压器等电器设备的保护作用比用断路器更可靠,特别适用于环网,比幅射代电单元和箱式变电站。 | |||||||||||||||||||||||||||||||||||||||||||||||||||||||||||||||||||||||||||||||||||||||||||||||||||||||||
| 正常工作环境 | |||||||||||||||||||||||||||||||||||||||||||||||||||||||||||||||||||||||||||||||||||||||||||||||||||||||||
|
周围空气温度:上限+40℃,下限-25℃; 海拔不超过1000m; 相对湿度,日平均值不大于95%,月平均值不大于90%; 周围空气应不受腐蚀性或可燃性气体及水蒸汽体等明显污染; 无经常性的剧烈运动; 耐污秽等等级:II级; 如使用条件超过上述规定,由用户与制造厂协商确定。 |
|||||||||||||||||||||||||||||||||||||||||||||||||||||||||||||||||||||||||||||||||||||||||||||||||||||||||
| 型号及含义 | |||||||||||||||||||||||||||||||||||||||||||||||||||||||||||||||||||||||||||||||||||||||||||||||||||||||||
|
|||||||||||||||||||||||||||||||||||||||||||||||||||||||||||||||||||||||||||||||||||||||||||||||||||||||||
|
|||||||||||||||||||||||||||||||||||||||||||||||||||||||||||||||||||||||||||||||||||||||||||||||||||||||||
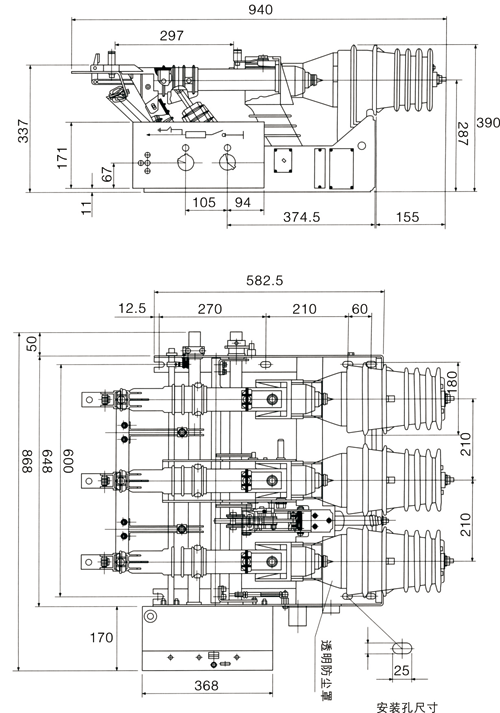
| 结构示意和外型、安装尺寸图 | |||||||||||||||||||||||||||||||||||||||||||||||||||||||||||||||||||||||||||||||||||||||||||||||||||||||||
|
|||||||||||||||||||||||||||||||||||||||||||||||||||||||||||||||||||||||||||||||||||||||||||||||||||||||||
| 技术参数及性能 | |||||||||||||||||||||||||||||||||||||||||||||||||||||||||||||||||||||||||||||||||||||||||||||||||||||||||
|
|||||||||||||||||||||||||||||||||||||||||||||||||||||||||||||||||||||||||||||||||||||||||||||||||||||||||
| 机械特征参数 | |||||||||||||||||||||||||||||||||||||||||||||||||||||||||||||||||||||||||||||||||||||||||||||||||||||||||
|
|||||||||||||||||||||||||||||||||||||||||||||||||||||||||||||||||||||||||||||||||||||||||||||||||||||||||