产品中心

PRODUCT

产品中心

ZN-20/16

如果您有任何问题可以联系我们!
联系我们

电话:13282722777   13868780977

扫一扫,加我为朋友
  • 详细信息
详细信息
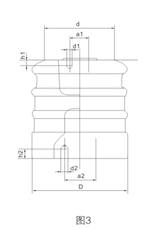
外形尺寸
 
型号 图号 主要尺寸(mm) 重量(Kg)
H D d d1 d2 a1 a2 h1 h2
ZN-6/4 3 100 78 60 2-M8 M12 18 - 18 20 1.25
ZN-10/4 3 120 82 62 M10 M12 - - 20 20 1.6
ZN-10/8 3 120 100 82 2-M10 M16 24 - 18 25 2.5
ZN-10/8N 3 120 100 82 M16 M16 - - 18 25 2.5
ZN-10/16 3 170 152 - 2-M12 M20 36 - 18 30 7.3
ZN-20/16 3 230 152 - 2-M12 M20 36 - 18 35 6.2
ZN-20/30 3 230 185 - 2-M16 2-M10 46 46 24 30 14.0
ZL-10/4 4 160 72 - M10 2-Φ12 130 - 20 - 2.4
ZL-10/8 4 170 86 - M16 2-Φ14 145 - 25 - 3.5
ZL-10/16 5 185 110 - M16 2-Φ14 180 - 25 - 5.5
ZL-10/16 5 265 125 - M16 2-Φ14 210 - 25 - 12.5
ZL-20/30 5 290 160 - M20 2-Φ16 250 - 25 - 21.3
ZL-35/4Y 6 380 90 - 2-M8 M16 36 - 8 60 6.6
ZL-35/4 7 380 90 - 2-M8 2-Φ14 36 145 8 60 6.2
ZL-35/8 8 400 110 - 2-M10 4-Φ14 46 180 12 66 10.7
ZLA-35GY 7 445 105 - 2-M8 2-Φ12 36 - 8 70 10.4
ZLB-35GY 8 450 125 - 2-M8 4-Φ14 36 - 12 66 11.4
ZLD-10F 5 215 115 - 4-M12 4-Φ15 - - - - 9.7
相关产品
联系我们
扫一扫,加我为朋友
© 浙江川熔电气有限公司   浙ICP备13013924号   XML   网站地图   网站制作维护:传信网络

在线
QQ

点击这里给我发消息 1340772238
在线QQ

微信
咨询

扫一扫,加我为朋友
扫一扫,加我为朋友

服务
热线

13282722777

13868780977
服务热线

客服
邮箱

1340772238@qq.com
客服邮箱