产品中心

PRODUCT

产品中心

ZN-10/4

如果您有任何问题可以联系我们!
联系我们

电话:13282722777   13868780977

扫一扫,加我为朋友
  • 详细信息
详细信息
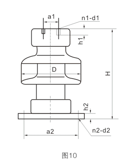
外形尺寸
 
型号 图号 额定电压
kV
弯曲强度
kN
扭转负荷
kN.m
爬电距离
mm
雷电全波冲击
耐受电压 kV
工频干耐受
电压 kV
工频湿耐受
电压 kV
重量
kg
ZS-10/5L 9 10 5 - 230 75 40 28 6
ZS-10/4 10 10 4 - 230 75 40 28 6
ZS-20/10 12 20 10 - 400 150 75 50 18
ZS-20/8 11 20 8 - 400 150 75 50 14.5
ZS-20/16 12 20 16 - 470 150 75 50 14.5
ZS-20/30 12 20 30 - 470 150 75 50 32
ZS-35/30-G 12 20 30 - 575 170 100 70 32.6
ZS-35/6L 14 35 6 3 648 170 100 70 17
ZS-35/8 12 35 8 2 625 170 100 70 16
ZS-35/4K 13 35 4 2 648 170 100 70 12
 
型号 总高
H
*大半径
D
干弧距离
mm
伞数 h1 h2 上部安装尺寸
(n1-d1-a1)
下部分安装尺寸
(n1-d1-a1)
ZS-10/5L 220 140 125 2 10 15 2-M8-36 4-M10-Φ55
ZS-10/4 210 140 123 2 10 12 2-M8-36 2-Φ12-Φ130
ZS-20/10 350 180 224 4 15 20 4-M12-Φ140 4-Φ18-Φ210
ZS-20/8 350 165 217 4 15 14 2-M12-76(中M16) 4-Φ14-Φ180
ZS-20/16 350 190 218 5 15 20 4-M12-Φ140 4-Φ18-Φ210
ZS-20/30 400 205 222 5 15 25 4-M12-Φ140 4-Φ18-Φ250
ZS-35/30-G 450 205 272 5 15 25 4-M12-Φ140 4-Φ18-Φ225
ZS-35/6L 420 165 308 7 15 15 4-M12-Φ140 4-M12-Φ140
ZS-35/8 420 165 306 6 15 14 4-M12-Φ140 4-Φ14-Φ180
ZS-35/4K 400 150 300 7 15 14 4-Φ14-Φ140 4-Φ14-Φ140
相关产品
联系我们
扫一扫,加我为朋友
© 浙江川熔电气有限公司   浙ICP备13013924号   XML   网站地图   网站制作维护:传信网络

在线
QQ

点击这里给我发消息 1340772238
在线QQ

微信
咨询

扫一扫,加我为朋友
扫一扫,加我为朋友

服务
热线

13282722777

13868780977
服务热线

客服
邮箱

1340772238@qq.com
客服邮箱