产品中心

PRODUCT

产品中心

ZD-20F

如果您有任何问题可以联系我们!
联系我们

电话:13282722777   13868780977

扫一扫,加我为朋友
  • 详细信息
详细信息
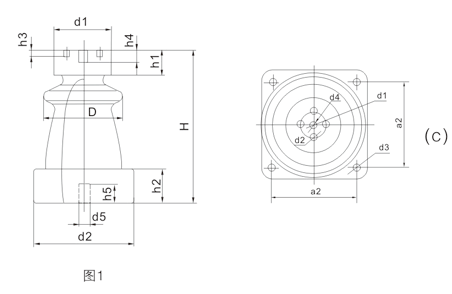
外形尺寸
 
额定电压(kV) 工频电压、千伏(有效值)不小于(kV) 全被冲击耐受电压千伏
(幅值)不小于(kV)
干耐受 击穿
6 36 58 60
10 47 75 80
20 68 119 125
35 100 175 185
 
型号 图号 主要尺寸(mm) 重量(Kg)
H h1 h2 h3 h4 h5 D d1 d2 d3 d4 d5 a1 a2
ZA-6Y 1a 165 27 36 6 13 20 86 62 106 2-M6 M10 M12 36 - 2.10
ZA-6T 1b 165 27 36 6 13 10 86 62 110 2-M6 M10 2-Φ12 36 135 2.40
ZB-6Y 1a 185 38 48 7 18 22 106 82 133 2-M10 M16 M16 46 - 4.20
ZB-6T 1b 185 38 48 7 18 12 106 82 135 2-M10 M16 2-Φ15 46 137 4.90
ZA-10Y 1a 190 27 36 6 13 20 86 66 110 2-M6 M10 M12 36 - 2.30
ZA-10T 1b 190 27 36 6 13 10 86 66 110 2-M6 M10 2-Φ12 36 135 2.30
ZB-10Y 1a 215 38 48 7 18 22 106 82 132 2-M10 M16 M16 46 - 5.10
ZB-10T 1b 215 38 48 7 18 12 106 82 135 2-M10 M16 2-Φ15 46 137 5.20
ZC-10F 1c 225 42 46 11 20 15 135 98 - 2-M10 M16 - - 140 7.70
ZD-10F 1c 235 46 53 14 22 18 170 128 - 4-M12 M16 - - 155 12.20
ZD-20F 1c 315 46 60 14 22 18 180 128 - 4-M12 M16 - - 175 15.50
ZA-35Y 2a 380 38 48 7 - 22 120 82 - M8 M12 - - - 8.30
ZA-35T 2d 380 38 46 7 - 12 120 82 - 2-M8 M12 - - 175 9.00
ZB-35F 2c 400 40 60 10 - 18 150 98 - 4-M10 M2 - - 155 12.90
相关产品
联系我们
扫一扫,加我为朋友
© 浙江川熔电气有限公司   浙ICP备13013924号   XML   网站地图   网站制作维护:传信网络

在线
QQ

点击这里给我发消息 1340772238
在线QQ

微信
咨询

扫一扫,加我为朋友
扫一扫,加我为朋友

服务
热线

13282722777

13868780977
服务热线

客服
邮箱

1340772238@qq.com
客服邮箱