产品中心

PRODUCT

产品中心

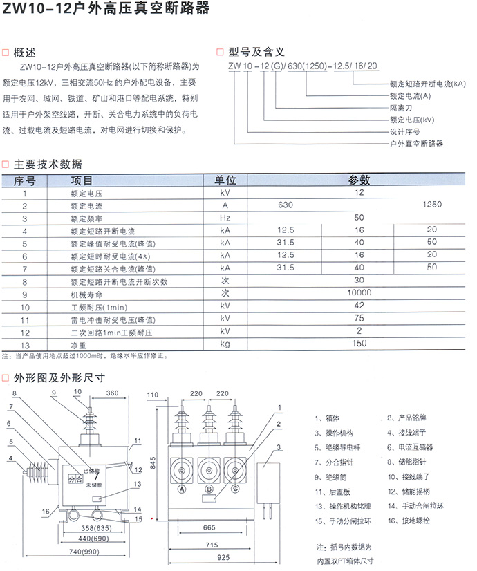
ZW10-12户外高压真空断路器

如果您有任何问题可以联系我们!
联系我们

电话:13282722777   13868780977

扫一扫,加我为朋友
  • 详细信息
相关产品
联系我们
扫一扫,加我为朋友
© 浙江川熔电气有限公司   浙ICP备13013924号   XML   网站地图   网站制作维护:传信网络

在线
QQ

点击这里给我发消息 1340772238
在线QQ

微信
咨询

扫一扫,加我为朋友
扫一扫,加我为朋友

服务
热线

13282722777

13868780977
服务热线

客服
邮箱

1340772238@qq.com
客服邮箱